诺亮于2022.7.15更新国内12V检测报告证书
2022.7.15诺亮NL防雾膜、防雾器、防雾贴、除雾膜、除雾器、除雾贴、电热膜、加热膜、加热贴 镜子防雾膜,诺亮NL品牌 获得专利证书
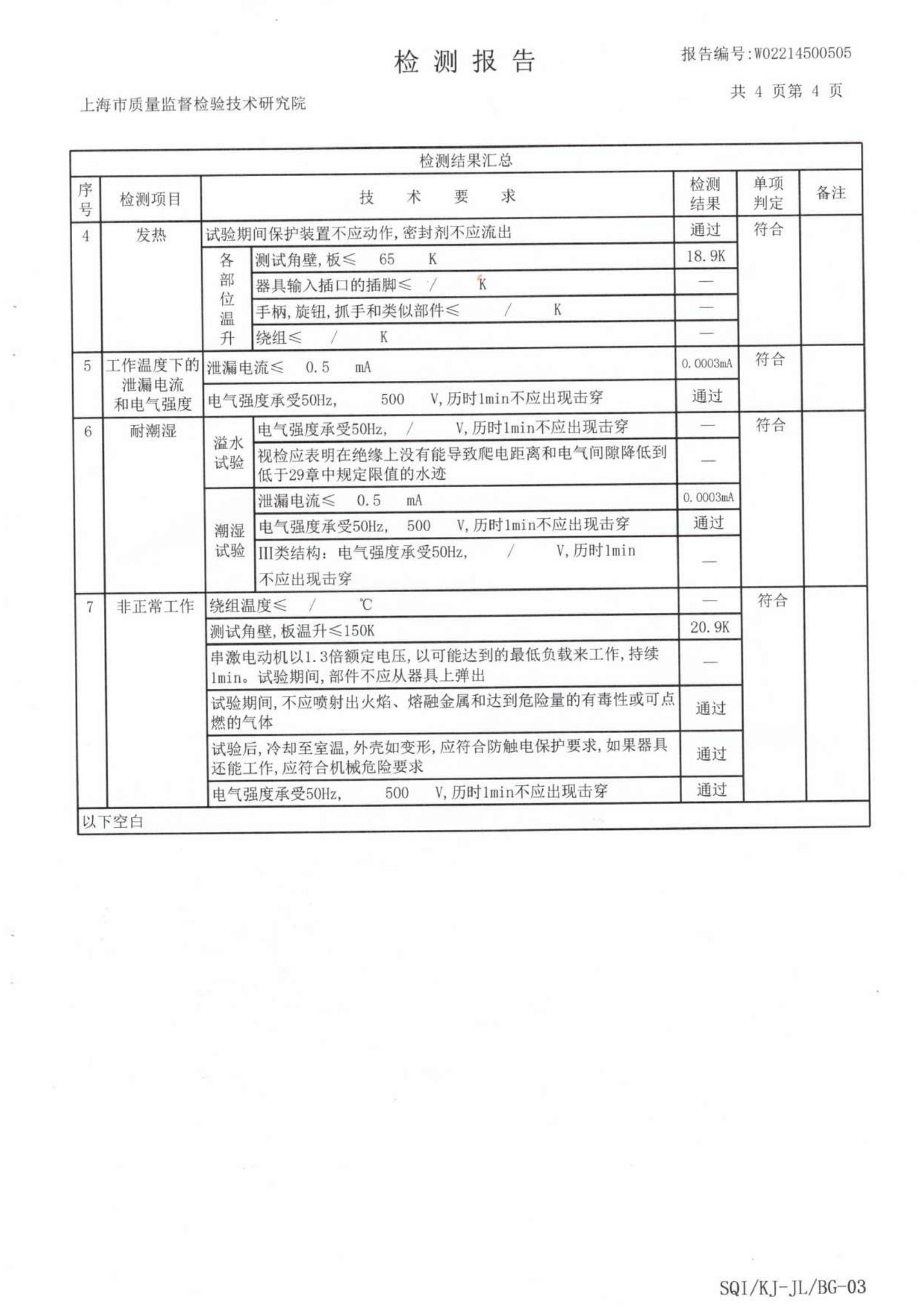
证书编号:W02214500505





| 上一条:诺亮于2022.7.15更新 防水报告证书 | 下一条:诺亮于2022.4.13更新 rohs证书 |
2022.7.15诺亮NL防雾膜、防雾器、防雾贴、除雾膜、除雾器、除雾贴、电热膜、加热膜、加热贴 镜子防雾膜,诺亮NL品牌 获得专利证书
证书编号:W02214500505





| 上一条:诺亮于2022.7.15更新 防水报告证书 | 下一条:诺亮于2022.4.13更新 rohs证书 |
QQ客服
电话沟通
手机沟通
微信咨询